elecena.pl

Automotive SIMPLE SWITCHER® 4.2-V to 80-V, 1-A synchronous buck converter

Texas Instruments

Automotive SIMPLE SWITCHER® 4.2-V to 80-V, 1-A synchronous buck converter RSS Sample
  • Darmowa próbka
MPN:
LMR38010-Q1
Producent:
TEXAS INSTRUMENTS
Dodany do bazy:
Ostatnio widziany:

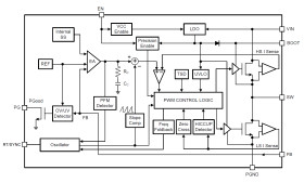
The LMR38010-Q1 synchronous buck converter is designed to regulate over a wide input voltage range, minimizing the need for external surge suppression components. The LMR38010-Q1 operates during input voltage dips as low as 4.2V, at nearly 100% duty cycle if needed, making the device an excellent choice for 48-V battery automotive applications and MHEV/EV systems.

The LMR38010-Q1 uses precision enable to provide flexibility by enabling a direct connection to the wide input voltage or precise control over device start-up and shutdown. The power-good flag, with built-in filtering and delay, offers a true indication of system status, eliminating the need for an external supervisor. The device incorporates pseudorandom spread spectrum for minimal EMI and switching frequency can be configured between 200kHz and 2.2MHz to avoid noise sensitive frequency bands. In addition, the frequency can be selected for improved efficiency at low operating frequency or smaller design size at high operating frequency.

The device has built-in protection features such as cycle-by-cycle current limit, hiccup mode short-circuit protection, and thermal shutdown in case of excessive power dissipation. The LMR38010-Q1 is qualified to automotive AEC-Q100 grade 1 and is available in an 8-pin HSOIC PowerPAD integrated circuit package.

Elecena nie prowadzi sprzedaży elementów elektronicznych, ani w niej nie pośredniczy.

Produkt pochodzi z oferty sklepu