elecena.pl

SIMPLE SWITCHER® 3.8-V to 36-V, 4-A step-down converter in SOIC-8 package

Texas Instruments

SIMPLE SWITCHER® 3.8-V to 36-V, 4-A step-down converter in SOIC-8 package RSS Sample
  • Darmowa próbka
MPN:
LMR33640
Producent:
TEXAS INSTRUMENTS
Dodany do bazy:
Ostatnio widziany:

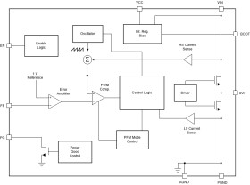
The LMR33640 SIMPLE SWITCHER regulator is an easy-to-use, synchronous, step-down DC/DC converter that delivers best-in-class efficiency for rugged industrial applications. The LMR33640 drives up to 4 A of load current from an input of up to 36 V. The LMR33640 provides high light-load efficiency and output accuracy. Features such as a power-good flag and precision enable provide both flexible and easy-to-use solutions for a wide range of applications. The LMR33640 automatically folds back frequency at light load to improve efficiency. Protection features include thermal shutdown, input undervoltage lockout, cycle-by-cycle current limit, and hiccup short-circuit protection. Integration and internal compensation eliminates many external components and provides a pinout designed for a simple PCB layout. The feature set of the device is designed to simplify implementation for a wide range of end equipment. The LMR33640 is pin-to-pin compatible with the LMR33610, LMR33620, LMR33630 (36 V, 1 A/2, A/3 A), LMR36510 (65 V, 1 A), and LMR36520 (65 V, 2 A), completing the family of scalable SIMPLE SWITCHER power supplies. This minimizes the cost and effort associated with board layout modifications. The LMR33640 is available in an 8-pin HSOIC package.

Elecena nie prowadzi sprzedaży elementów elektronicznych, ani w niej nie pośredniczy.

Produkt pochodzi z oferty sklepu