elecena.pl

Radiation-hardened-assured (RHA), ultra-low-noise, 3.2-GHz, 15-output clock jitter cleaner

Texas Instruments

Radiation-hardened-assured (RHA), ultra-low-noise, 3.2-GHz, 15-output clock jitter cleaner RSS Sample
  • Darmowa próbka
MPN:
LMK04832-SP
Producent:
TEXAS INSTRUMENTS
Dodany do bazy:
Ostatnio widziany:

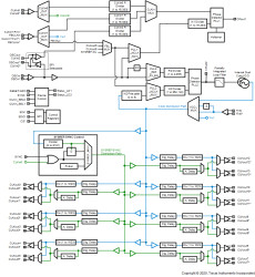
The LMK04832-SP is a high performance clock conditioner with JEDEC JESD204B support for space applications.

The 14 clock outputs from PLL2 can be configured to drive seven JESD204B converters or other logic devices using device and SYSREF clocks. SYSREF can be provided using both DC and AC coupling. Not limited to JESD204B applications, each of the 14 outputs can be individually configured as high-performance outputs for traditional clocking systems.

The LMK04832-SP can be configured for operation in dual PLL, single PLL, or clock distribution modes with or without SYSREF generation or reclocking. PLL2 may operate with either internal or external VCO.

The high performance combined with features like the ability to trade off between power and performance, dual VCOs, dynamic digital delay, and holdover allows the LMK04832-SP to provide flexible high performance clocking trees.

The LMK04832-SP comes in a 10.9-mm × 10.9-mm, 64-pin CFP package.

Elecena nie prowadzi sprzedaży elementów elektronicznych, ani w niej nie pośredniczy.

Produkt pochodzi z oferty sklepu