elecena.pl

2.2-MHz wide-VIN, synchronous boost controller with output voltage tracking

Texas Instruments

2.2-MHz wide-VIN, synchronous boost controller with output voltage tracking RSS Sample
  • Darmowa próbka
MPN:
LM51231-Q1
Producent:
TEXAS INSTRUMENTS
Dodany do bazy:
Ostatnio widziany:

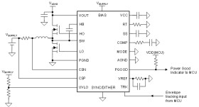
The LM51231-Q1 device is a wide input range synchronous boost controller that employs peak current mode control. The device’s wide input range supports automotive cold-crank and load dump. The minimum input voltage can be as low as 0.8V when BIAS is equal to or greater than 3.8V. The output voltage can be dynamically programmed by using the tracking function. Bypass mode operation is automatically entered when VSUPPLY > VLOAD, eliminating the body diode drop of the high-side MOSFET. The switching frequency is dynamically programmed with an external resistor from 100kHz to 2.2MHz. Switching at 2.2MHz minimizes AM band interference and allows a small solution size and fast transient response.

The device has built-in protection features such as peak current limit, which is constant over VSUPPLY, overvoltage protection, and thermal shutdown. External clock synchronization, programmable spread spectrum modulation, and a lead-less package with minimal parasitic, help to reduce EMI and avoid cross talk. Additional features include line UVLO, FPWM, diode emulation, DCR inductor current sensing, programmable soft start, and a power-good indicator

Elecena nie prowadzi sprzedaży elementów elektronicznych, ani w niej nie pośredniczy.

Produkt pochodzi z oferty sklepu