Automotive 40-V H-bridge smart gate driver with offline diagnostics & inline current sense am
Texas Instruments
RSS
Sample
- Darmowa próbka
- MPN:
- DRV8706-Q1
- Producent:
- TEXAS INSTRUMENTS
- Dodany do bazy:
- Ostatnio widziany:
Sugerowane produkty dla drv8706
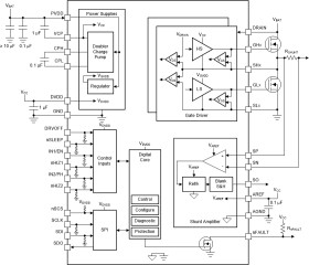
The DRV8706-Q1 is a highly integrated H-bridge gate driver, capable of driving high-side and low-side N-channel power MOSFETs. It generates the proper gate drive voltages using an integrated doubler charge pump for the high-side and a linear regulator for the low-side.
The device uses a smart gate drive architecture to reduce system cost and improve reliability. The gate driver optimizes dead time to avoid shoot-through conditions, provides control to decreasing electromagnetic interference (EMI) through adjustable gate drive current, and protects against drain to source and gate short conditions with VDS and VGS monitors.
A wide common mode shunt amplifier provides inline current sensing to continuously measure motor current even during recirculating windows. The amplifier can be used in low-side or high-side sense configurations if inline sensing is not required.
The DRV8706-Q1 provide an array of protection features to ensure robust system operation. These include under and overvoltage monitors for the power supply and charge pump, VDS overcurrent and VGS gate fault monitors for the external MOSFETs, offline open load and short circuit diagnostics, and internal thermal warning and shutdown protection.
Elecena nie prowadzi sprzedaży elementów elektronicznych, ani w niej nie pośredniczy.
Produkt pochodzi z oferty sklepu Texas Instruments