Radiation-tolerant, 30-krad, 18-bit, dual 125-MSPS ADC
Texas Instruments
RSS
Sample
- Darmowa próbka
- MPN:
- ADC3664-SEP
- Producent:
- TEXAS INSTRUMENTS
- Dodany do bazy:
- Ostatnio widziany:
Sugerowane produkty dla adc3664
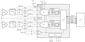
The ADC3664-xEP device is a low-noise, ultra-low power, 14-bit, 125MSPS, high-speed dual channel ADC. Designed for lowest noise performance, the device delivers a noise spectral density of -156.9dBFS/Hz combined with linearity and dynamic range. The ADC3664-xEP offers IF sampling support which makes the device designed for a wide range of applications. High-speed control loops benefit from the short latency as low as one clock cycle. The ADC consumes only 100mW/ch at 125MSPS, and the power consumption scales well with lower sampling rates.
The ADC3664-xEP uses a serial LVDS (SLVDS) interface to output the data which minimizes the number of digital interconnects. The device supports a two-lane, one-lane and half-lane option. The device supports an extended temperature range from –55°C to +105°C.
Elecena nie prowadzi sprzedaży elementów elektronicznych, ani w niej nie pośredniczy.
Produkt pochodzi z oferty sklepu Texas Instruments