elecena.pl

Dual-channel, 16-bit, 25-MSPS, low-noise, ultra-low-power, low-latency ADC

Texas Instruments

Dual-channel, 16-bit, 25-MSPS, low-noise, ultra-low-power, low-latency ADC RSS Sample
  • Darmowa próbka
MPN:
ADC3662
Producent:
TEXAS INSTRUMENTS
Dodany do bazy:
Ostatnio widziany:

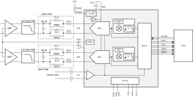
The ADC3661, ADC3662, and ADC3663 (ADC366x) family of devices are low-noise, ultra-low power, 16-bit, 10-MSPS to 65-MSPS, high-speed, dual-channel, analog-to-digital converters (ADCs). Designed for low noise performance, these devices deliver a noise spectral density of –158 dBFS/Hz combined with great linearity and dynamic range. The ADC366x offers good dc precision together with IF sampling support making these devices suitable for a wide range of applications. High-speed control loops benefit from the short latency as low as only 1 clock cycle. The ADC consumes only 94 mW/ch at 65 MSPS and power consumption that scales well with lower sampling rates.

The ADC366x uses a serial LVDS (SLVDS) interface to output the data. The devices support a two-lane, a one-lane and a half-lane option. These devices are a pin-to-pin compatible family with 16-bit and 18-bit resolution and different speed grades. The devices come in a 40-pint QFN package (5 x 5 mm), and supports the extended industrial temperature range of –40°C to +105⁰C.

Elecena nie prowadzi sprzedaży elementów elektronicznych, ani w niej nie pośredniczy.

Produkt pochodzi z oferty sklepu