elecena.pl

RF-sampling 8-bit ADC with dual-channel 5.2 GSPS or single-channel 10.4 GSPS

Texas Instruments

RF-sampling 8-bit ADC with dual-channel 5.2 GSPS or single-channel 10.4 GSPS RSS Sample
  • Darmowa próbka
MPN:
ADC08DJ5200RF
Producent:
TEXAS INSTRUMENTS
Dodany do bazy:
Ostatnio widziany:

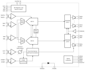
The ADC08DJ5200RF device is an RF-sampling, giga-sample, analog-to-digital converter (ADC) that directly samples input frequencies from DC to above 10GHz. The ADC08DJ5200RF can be configured as a dual-channel, 5.2GSPS ADC or single-channel, 10.4GSPS ADC. Support of a useable input frequency range of up to 10GHz enables direct RF sampling of L-band, S-band, C-band, and X-band for frequency agile systems.

The ADC08DJ5200RF uses a high-speed JESD204C output interface with up to 16 serialized lanes supporting up to 17.16Gbps line rate. Deterministic latency and multi-device synchronization is supported through JESD204C subclass-1. The JESD204C interface can be configured to trade-off line rate and number of lanes. Both 8b/10b and 64b/66b data encoding schemes are supported. 64b/66b encoding supports forward error correction (FEC) for improved bit error rates. The interface is backwards compatible with JESD204B receivers.

Innovative synchronization features, including noiseless aperture delay adjustment and SYSREF windowing, simplify system design for multi-channel applications. A programmable FIR filter allows on-chip equalization.

Elecena nie prowadzi sprzedaży elementów elektronicznych, ani w niej nie pośredniczy.

Produkt pochodzi z oferty sklepu