Radiation-tolerant single flip-flop with clear
Texas Instruments
RSS
Sample
Przejdź do sklepu »
- Darmowa próbka
- MPN:
- SN54SC1G175-SEP
- Producent:
- TEXAS INSTRUMENTS
- Dodany do bazy:
- Ostatnio widziany:
Sugerowane produkty dla sn54sc1g175
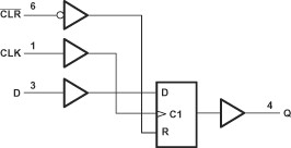
The SN54SC1G175-SEP device is a single D-type flip-flop with asynchronous clear (CLR) input. When CLR is HIGH, data from the input pin (D) transfers to the output pin (Q) on the clocks (CLK) rising edge. When CLR is LOW, the Q is forced into the LOW state, regardless of the clock edge or data on D.
Elecena nie prowadzi sprzedaży elementów elektronicznych, ani w niej nie pośredniczy.
Produkt pochodzi z oferty sklepu Texas Instruments