elecena.pl

±2°C Quad Remote and Local Temperature Sensor with SMBus Interface

Texas Instruments

±2°C Quad Remote and Local Temperature Sensor with SMBus Interface RSS Sample
  • Darmowa próbka
MPN:
LM95214
Producent:
TEXAS INSTRUMENTS
Dodany do bazy:
Ostatnio widziany:

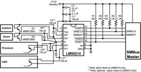
The LM95214 device is an 11-bit digital temperature sensor with a 2-wire System Management Bus (SMBus) interface that can very accurately monitor the temperature of four remote diodes as well as its own temperature. The four remote diodes can be external devices such as microprocessors, graphics processors that target the ideality of a 2N3904 transistor or diode-connected 2N3904s.

The LM95214 reports temperature in two different formats for +127.875°C/–128°C range and 0°C/255°C range. The LM95214 TCRIT1, TCRIT2 and TCRIT3 outputs are triggered when any unmasked channel exceeds its corresponding programmable limit and can be used to shutdown the system, to turn on the system fans or as a microcontroller interrupt function. The current status of the TCRIT1, TCRIT2, and TCRIT3 pins can be read back from the status registers. Mask registers are available for further control of the TCRIT outputs.

Two LM95214 remote temperature channels have programmable digital filters while the other two remote channels use a fault-queue to minimize unwanted TCRIT events when temperature spikes are encountered.

For optimum flexibility and accuracy, each LM95214 channel includes registers for offset correction. A three-level address pin allows connection of up to 3 LM95214s to the same SMBus master. The LM95214 includes power saving functions such as: programmable conversion rate, shutdown mode, and disabling of unused channels.

Elecena nie prowadzi sprzedaży elementów elektronicznych, ani w niej nie pośredniczy.

Produkt pochodzi z oferty sklepu