elecena.pl

Dual, Multiphase Step-Down Voltage Mode DC/DC Controller with Accurate Current Sharing

Analog Devices

Dual, Multiphase Step-Down Voltage Mode DC/DC Controller with Accurate Current Sharing RSS Sample
  • Darmowa próbka
MPN:
LTC3861-1
Producent:
ANALOG DEVICES
Dodany do bazy:
Ostatnio widziany:
Zmiana ceny:
-100% (18.01.2025)
Poprzednia cena:
3.32

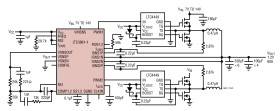
The LTC3861-1 is a dual PolyPhase® synchronous stepdown switching regulator controller for high current distributed power systems, digital signal processors, and other telecom and industrial DC/DC power supplies. It uses a constant-frequency voltage mode architecture combined with very low offset, high bandwidth error amplifiers and a remote output sense differential amplifier for excellent transient response and output regulation.

The controller incorporates lossless inductor DCR current sensing to maintain current balance between phases and to provide overcurrent protection. The chip operates from a VCC supply between 3V and 5.5V and is designed for stepdown conversion from VIN between 3V and 24V to output voltages between 0.6V and VCC – 0.5V.

Inductor current reversal is disabled during soft-start to safely power prebiased loads. The constant operating frequency can be synchronized to an external clock or linearly programmed from 250kHz to 2.25MHz. Up to six LTC3861-1 controllers can operate in parallel for 1-, 2-, 3-, 4-, 6- or 12-phase operation.

The LTC3861-1 is pin-to-pin compatible with the LTC3860. It is available in a 32-pin 5mm × 5mm QFN package. The LTC3861is a 36-pin QFN version of the LTC3861-1, which has dual differential output voltage sense amplifiers.

# Diff Amps

Config Pin

Package

LTC3861

2

Yes

5 x 6 QFN-36

LTC3861-1

1

No

5 x 5 QFN-32

Applications

* High Current Distributed Power Systems

* DSP, FPGA and ASIC Supplies

* Datacom and Telecom Systems

* Industrial Power Supplies

* Operates with Power Blocks, DrMOS or External Gate Drivers and MOSFETs

* Constant-Frequency Voltage Mode Control with Accurate Current Sharing

* ±0.75% 0.6V Voltage Reference

* Differential Remote Output Voltage Sense Amplifier

* Multiphase Capability—Up to 12-Phase Operation

* Programmable Current Limit

* Safely Powers a Prebiased Load

* Programmable or PLL-Synchronizable Switching Frequency Up to 2.25MHz

Elecena nie prowadzi sprzedaży elementów elektronicznych, ani w niej nie pośredniczy.

Produkt pochodzi z oferty sklepu