elecena.pl

Microprocessor Supervisory Circuit

Analog Devices

Microprocessor Supervisory Circuit RSS Sample
  • Darmowa próbka
MPN:
LTC1232
Producent:
ANALOG DEVICES
Dodany do bazy:
Ostatnio widziany:
Zmiana ceny:
-100% (18.01.2025)
Poprzednia cena:
2.34

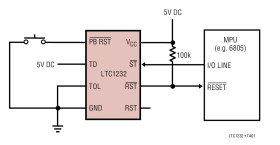
The LTC1232 provides power supply monitoring, watchdog timing and external reset for microprocessor systems. A precise internal voltage reference and comparator circuit monitor the power supply line. When an out-of-tolerance condition occurs, the reset outputs are forced to active states. The RST output is guaranteed to remain logic low even with VCC as low as 1V.

The LTC1232 has an internal watchdog timer which forces the reset outputs to active states when the Strobe input is not forced low prior to a preset time-out period. The watchdog timing can be set to operate on time-out periods of typically 150ms, 600ms or 1.2 seconds.

The LTC1232 performs push-button reset control. The LTC1232 debounces the push-button input and guarantees an active reset pulse width of 250ms minimum.

Applications

* Critical µP Power Monitoring

* Intelligent Instruments

* Computers and Controllers

* Automotive Systems

* Guaranteed Reset Assertion at VCC = 1V

* 8-Pin SOIC Plastic Package

* 2.0mA Maximum Supply Current

* 4.62V/4.37V Precision Voltage Monitor

* Power OK/Reset Time Delay: 600ms

* Minimum External Component Count

* Superior Upgrade for DS1232

Elecena nie prowadzi sprzedaży elementów elektronicznych, ani w niej nie pośredniczy.

Produkt pochodzi z oferty sklepu