elecena.pl

4 Channel Buffered, 250 MH, 10 Switching Multiplexer w/Amplifier

Analog Devices

4 Channel Buffered, 250 MH, 10 Switching Multiplexer w/Amplifier RSS Sample
  • Darmowa próbka
MPN:
AD8174
Producent:
ANALOG DEVICES
Dodany do bazy:
Ostatnio widziany:
Zmiana ceny:
-100% (17.01.2025)
Poprzednia cena:
4.56

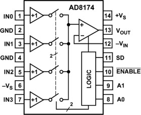
The AD8170(2:1) and AD8174(4:1) are very high speed buffered multiplexers. These multiplexers offer an internal current feedback output amplifier whose gain can be programmed via external resistors and is capable of delivering 50 mA of output current. They offer -3dB signal bandwidth of 250 MHz and slew rate of greater than than 1000 V/µs. Additionally, the AD8170 and AD8174 have excellent video specifications with low differential gain and differential phase error of 0.02% and 0.05° and 0.1 dB flatness out to 85 MHz. With a low 70 dB of crosstalk and better than 82 dB isolation, these devices are useful in many high speed applications. These are low power devices consuming only 9.7 mA from a ±5 V supply.

The AD8174 offers a high speed disable feature allowing the output to be put into a high impedance state for cascading stages so that the off channels do not load the output bus. Additionally, the AD8174 can be shut down (SD) when not in use to minimize power consumption (IS = 1.5 mA). These products will be offered in 8-lead and 14-lead PDIP and SOIC packages.

An evaluation board is available for this product and may be ordered using the following product number: AD8170-EB and AD8174-EB. Schematic and layout for this evaluation board is contained in the product datasheet.

* Fully Buffered Inputs and Outputs

* Fast Channel Switching: 10 ns

* Internal Current Feedback Output Amplifier

High Output Drive: 50 mA

Flexible Gain Setting via External Resistor(s)

* High Speed

250 MHz Bandwidth, G = +2

1000 V/µs Slew Rate

Fast Settling Time of 15 ns to 0.1%

* Low Power: < 10 mA

* Excellent Video Specifications

(RL = 150 O, G = +2)

Gain Flatness of 0.1 dB Beyond 80 MHz

0.02% Differential Gain Error

0.05° Differential Phase Error

* Low Crosstalk of -78 dB @ 5 MHz

* High Disable Isolation of -88 dB @ 5 MHz

* High Shutdown Isolation of -92 dB @ 5 MHz

* Low Cost

Elecena nie prowadzi sprzedaży elementów elektronicznych, ani w niej nie pośredniczy.

Produkt pochodzi z oferty sklepu