elecena.pl

1-MHz, 50-μV, 11-nV/√Hz, 3mA-power, precision instrumentation amplifier

Texas Instruments

1-MHz, 50-μV, 11-nV/√Hz, 3mA-power, precision instrumentation amplifier RSS Sample
  • Darmowa próbka
MPN:
INA114
Producent:
TEXAS INSTRUMENTS
Dodany do bazy:
Ostatnio widziany:

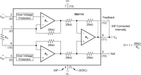
The INA114 is a low-cost, general-purpose instrumentation amplifier offering excellent accuracy. The versatile three-op-amp design and small size make this device an excellent choice for a wide range of applications.

A single external resistor sets any gain from 1 to 10,000. Internal input protection withstands up to ±40V without damage.

The INA114 is laser trimmed for very low offset voltage (50µV), low drift (0.3µV/°C), and high common-mode rejection (115dB at G = 1000). The device operates with power supplies as low as ±2.25V, allowing use in battery-operated and single 5V supply systems.

The INA114 is available in 8-pin PDIP and 16-pin SOIC surface-mount packages. Both are specified for a temperature range of −40°C to +85°C.

Elecena nie prowadzi sprzedaży elementów elektronicznych, ani w niej nie pośredniczy.

Produkt pochodzi z oferty sklepu