100-W stereo, 200-W mono, 10.8-V to 13.2-V supply, PWM input open loop Class-D audio amp, low RDSon
Texas Instruments
RSS
Sample
- Darmowa próbka
- MPN:
- TAS5342LA
- Producent:
- TEXAS INSTRUMENTS
- Dodany do bazy:
- Ostatnio widziany:
Sugerowane produkty dla tas5342
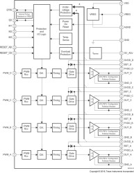
The TAS5342LA is a high-performance, integrated stereo digital amplifier power stage designed to drive a 4-Ω bridge-tied load (BTL) at up to 100 W per channel with low-harmonic distortion, low-integrated noise, and low-idle current.
The TAS5342LA has a complete protection system integrated on-chip, safeguarding the device against a wide range of fault conditions that could damage the system. These protection features are short-circuit protection, over-current protection, under voltage protection, over temperature protection, and a loss of PWM signal (PWM activity detector).
A power-on-reset (POR) circuit is used to eliminate power-supply sequencing that is required for most power-stage designs.
Elecena nie prowadzi sprzedaży elementów elektronicznych, ani w niej nie pośredniczy.
Produkt pochodzi z oferty sklepu Texas Instruments