Automotive, 25-W, 1-ch, 8- to 26-V analog in Class-D audio amplifier w/ SpeakerGuard™
Texas Instruments
RSS
Sample
- Darmowa próbka
- MPN:
- TPA3112D1-Q1
- Producent:
- TEXAS INSTRUMENTS
- Dodany do bazy:
- Ostatnio widziany:
Sugerowane produkty dla speakerguard
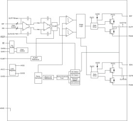
The TPA3112D1-Q1 is a 25-W efficient, Class-D audio power amplifier for driving a bridge tied speaker. Advanced EMI Suppression Technology enables the use of inexpensive ferrite bead filters at the outputs while meeting EMC requirements. SpeakerGuard™ protection circuitry system includes an adjustable power limiter and a DC detection circuit. The adjustable power limiter allows the user to set a virtual voltage rail lower than the chip supply to limit the amount of current through the speaker. The DC detect circuit measures the frequency and amplitude of the PWM signal and shuts off the output stage if the input capacitors are damaged or shorts exist on the inputs.
The TPA3112D1-Q1 can drive a mono speaker as low as 4 Ω. The high efficiency of the device, > 90%, eliminates the need for an external heat sink when playing music.
The outputs are fully protected against shorts to GND, VCC, and output-to-output. The short-circuit protection and thermal protection includes an auto-recovery feature.
Elecena nie prowadzi sprzedaży elementów elektronicznych, ani w niej nie pośredniczy.
Produkt pochodzi z oferty sklepu Texas Instruments