elecena.pl

Mono audio DAC with 2.5-W mono Class-D speaker amp, 60-mW headphone driver & audio processing

Texas Instruments

Mono audio DAC with 2.5-W mono Class-D speaker amp, 60-mW headphone driver & audio processing RSS Sample
  • Darmowa próbka
MPN:
TLV320DAC3120
Producent:
TEXAS INSTRUMENTS
Dodany do bazy:
Ostatnio widziany:

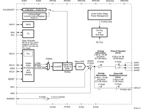
The TLV320DAC3120 is a low-power, highly integrated, high-performance mono DAC with 24-bit mono playback.

The device integrates several analog features, such as a microphone bias, headphone drivers, and a mono speaker driver capable of driving a 4-Ω load. The TLV320DAC3120 has a fully programmable miniDSP for digital audio processing. The digital audio data format is programmable to work with popular audio standard protocols (I2S, left/right-justified) in master, slave, DSP, and TDM modes. Bass boost, treble, or EQ can be supported by the programmable digital-signal processing block. An on-chip PLL provides the high-speed clock needed by the digital signal-processing block. The volume level can be controlled by either a pin control or by register control. The audio functions are controlled using the I2C serial bus.

The TLV320DAC3120 is available in a 32-pin QFN package.

This data manual is designed using PDF document-viewing features that allow quick access to information. For example, performing a global search on "page 0 / register 27" produces all references to this page and register in a list. This makes is easy to traverse the list and find all information related to a page and register. Note that the search string must be of the indicated format. Also, this document includes document hyperlinks to allow the user to quickly find a document reference. To come back to the original page, click the green left arrow near the PDF page number at the bottom of the file. The hot-key for this function is alt-left arrow on the keyboard. Another way to find information quickly is to use the PDF bookmarks.

Elecena nie prowadzi sprzedaży elementów elektronicznych, ani w niej nie pośredniczy.

Produkt pochodzi z oferty sklepu