Very-Low-Power Stereo Audio CODEC With PowerTune™ Technology
Texas Instruments
RSS
Sample
Przejdź do sklepu »
- Darmowa próbka
- MPN:
- TLV320AIC3204
- Producent:
- TEXAS INSTRUMENTS
- Dodany do bazy:
- Ostatnio widziany:
Sugerowane produkty dla powertune
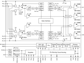
The TLV320AIC3204 (also called the AIC3204) is a flexible, low-power, low-voltage stereo audio codec with programmable inputs and outputs, PowerTune capabilities, fixed predefined and parameterizable signal-processing blocks, integrated PLL, integrated LDOs and flexible digital interfaces.
Elecena nie prowadzi sprzedaży elementów elektronicznych, ani w niej nie pośredniczy.
Produkt pochodzi z oferty sklepu Texas Instruments