Very Low-Power Stereo Codec with miniDSP and DirectPath™ HP Amplifier
Texas Instruments
RSS
Sample
Przejdź do sklepu »
- Darmowa próbka
- MPN:
- TLV320AIC3256
- Producent:
- TEXAS INSTRUMENTS
- Dodany do bazy:
- Ostatnio widziany:
Sugerowane produkty dla aic3256
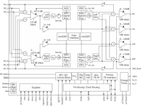
The TLV320AIC3256 (also called the AIC3256) is a flexible, low-power, low-voltage stereo audio codec with programmable inputs and outputs, PowerTune capabilities, fully-programmable miniDSP, fixed predefined and parameterizable signal processing blocks, integrated PLL, and flexible digital interfaces.
Elecena nie prowadzi sprzedaży elementów elektronicznych, ani w niej nie pośredniczy.
Produkt pochodzi z oferty sklepu Texas Instruments