Programmable PCM Codec With Microphone Amps & Speaker Driver
Texas Instruments
RSS
Sample
Przejdź do sklepu »
- Darmowa próbka
- MPN:
- TLV320AIC1110
- Producent:
- TEXAS INSTRUMENTS
- Dodany do bazy:
- Ostatnio widziany:
Sugerowane produkty dla progmable
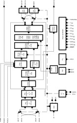
The TLV320AIC1110 provides extended gain and attenuation flexibility for transmit, receive, and sidetone paths. A differential earphone output is capable of driving speaker loads as low as 8 for use in speaker phone applications. The single tone function on the TLV320AIC1110 generates a single tone output of up to 8 kHz. The resolution of the DTMF tone is also selectable to 7.8125 Hz, 15.625 Hz, or 31.25 Hz through the interface control. The analog switch provides more control capabilities for voice-band audio processor (PCM codec).
Elecena nie prowadzi sprzedaży elementów elektronicznych, ani w niej nie pośredniczy.
Produkt pochodzi z oferty sklepu Texas Instruments