elecena.pl

Low-Power Audio Codec With 1.3W Stereo Class-D Speaker Amplifier

Texas Instruments

Low-Power Audio Codec With 1.3W Stereo Class-D Speaker Amplifier RSS Sample
  • Darmowa próbka
MPN:
TLV320AIC3110
Producent:
TEXAS INSTRUMENTS
Dodany do bazy:
Ostatnio widziany:

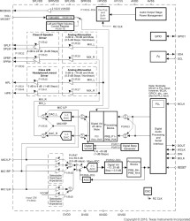
The TLV320AIC3110 device is a low-power, highly integrated, high-performance codec that supports stereo audio DAC, and mono audio ADC.

The TLV320AIC3110 device features a high-performance audio codec with 24-bit stereo playback and monaural record functionality. The device integrates several analog features, such as a microphone interface, headphone drivers, and speaker drivers. The digital-audio data format is programmable to work with popular audio standard protocols (I2S, left-justified and right-justified) in master, slave, DSP, and TDM modes. Bass boost, treble, or EQ is supported by the programmable digital-signal processing blocks (PRB). An on-chip PLL provides the high-speed clock required by the digital-signal processing block. The volume level is controlled either by pin control or by register control. The audio functions are controlled using the I2C serial bus.

The TLV320AIC3110 device has a programmable digital sine-wave generator and is available in a 32-pin VQFN package.

Elecena nie prowadzi sprzedaży elementów elektronicznych, ani w niej nie pośredniczy.

Produkt pochodzi z oferty sklepu