elecena.pl

98dB SNR Stereo Full Speed DAC with line-out and S/PDIF output, Bus/Self-powered (S/W Control)

Texas Instruments

98dB SNR Stereo Full Speed DAC with line-out and S/PDIF output, Bus/Self-powered (S/W Control) RSS Sample
  • Darmowa próbka
MPN:
PCM2705C
Producent:
TEXAS INSTRUMENTS
Dodany do bazy:
Ostatnio widziany:

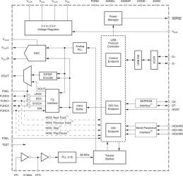
The PCM270xC are TI’s single-chip USB stereo audio digital-to-analog converters (DACs) with USB 2.0 compliant full-speed protocol controller and S/PDIF. The USB-protocol controller works with no software code, but USB descriptors can be modified in some areas (for example, vendor ID/product ID) through the use of an external ROM (PCM2704C and PCM2706C) or serial peripheral interface (SPI) (PCM2705C and PCM2707C). The PCM270xC also employ SpAct architecture, TI's unique system that recovers the audio clock from USB packet data. On-chip analog phase-locked loops (PLLs) with SpAct enable playback with low clock jitter.

Elecena nie prowadzi sprzedaży elementów elektronicznych, ani w niej nie pośredniczy.

Produkt pochodzi z oferty sklepu