elecena.pl

2.9-W, mono, analog input Class-D audio amplifier with 25-mW headphone driver

Texas Instruments

2.9-W, mono, analog input Class-D audio amplifier with 25-mW headphone driver RSS Sample
  • Darmowa próbka
MPN:
TPA2051D3
Producent:
TEXAS INSTRUMENTS
Dodany do bazy:
Ostatnio widziany:

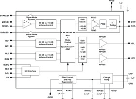
The TPA2051D3 is an audio subsystem with a mono Class-D power amplifier, a stereo DirectPath headphone amplifier, and bypass switches. The DirectPath headphone amplifier eliminates the need for external dc-blocking output capacitors. The built-in charge pump creates a negative supply voltage for the headphone amplifier, allowing a 0 V dc bias at the output. The DirectPath headphone amplifier drives 25 mW into 16 speakers from a 4.2 V supply.

The subsystem includes three inputs: A differential mono input and two stereo single-ended (SE) inputs. The stereo inputs are also configurable as differential mono inputs. Each input channel has an independent volume control. Seven operating modes provide input-to-output combinations and shutdown control. Operating mode and volume levels are controlled over a 1.8 V compatible I2C interface.

The TPA2051D3 uses SpeakerGuardTM technology to prevent output clipping distortion and excessive power to the speaker and headphones.

The Class-D amplifier includes a bypass mode. This allows the baseband IC (BB) to directly drive the 8 speaker. This is useful for dual-mode speaker phones in voiceonly mode.

The Class-D amplifier uses 4.9 mA and the DirectPath amplifier uses 4.1 mA of typical quiescent current. Total supply current reduces to less than 1 µA in shutdown.

The TPA2051D3 is available in a 25-bump 2,16 mm × 2,11 mm, 0,4 mm pitch WCSP with less than 0.8 mm height.

Elecena nie prowadzi sprzedaży elementów elektronicznych, ani w niej nie pośredniczy.

Produkt pochodzi z oferty sklepu