elecena.pl

1-to-10 LVDS clock buffer up to 1100-MHz with minimum skew for clock distribution

Texas Instruments

1-to-10 LVDS clock buffer up to 1100-MHz with minimum skew for clock distribution RSS Sample
  • Darmowa próbka
MPN:
CDCLVD110A
Producent:
TEXAS INSTRUMENTS
Dodany do bazy:
Ostatnio widziany:

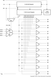
The CDCLVD110A clock driver distributes one pair of differential LVDS clock inputs (either CLK0 or CLK1) to 10 pairs of differential clock outputs (Q0 to Q9) with minimum skew for clock distribution. The CDCLVD110A is specifically designed to drive 50-Ω transmission lines.

When the control enable is high (EN = 1), the 10 differential outputs are programmable in that each output can be individually enabled or disabled (3-stated) according to the first 10 bits loaded into the shift register. Once the shift register is loaded, the last bit selects either CLK0 or CLK1 as the clock input. However, when EN = 0, the outputs are not programmable and all outputs are enabled.

The CDCLVD110A has an improved start-up circuit that minimizes enabling time in AC- and DC-coupled systems.

The CDCLVD110A is characterized for operation from –40°C to 85°C.

Elecena nie prowadzi sprzedaży elementów elektronicznych, ani w niej nie pośredniczy.

Produkt pochodzi z oferty sklepu