elecena.pl

16 bit, 50MSPS Four Channel Imaging Analog Front End

Texas Instruments

16 bit, 50MSPS Four Channel Imaging Analog Front End RSS Sample
  • Darmowa próbka
MPN:
VSP5611
Producent:
TEXAS INSTRUMENTS
Dodany do bazy:
Ostatnio widziany:

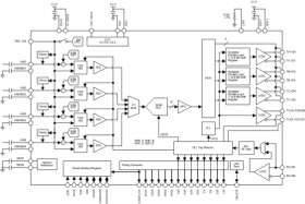
The VSP5610/11/12 are high-speed, high-performance, 16-bit analog-to-digital-converters (ADCs) that have four independent sampling circuit channels for multi-output charge-coupled device (CCD) and complementary metal oxide semiconductor (CMOS) line sensors. Pixel data from the sensor are sampled by the sample/hold (SH) or correlated double sampler (CDS) circuit, and are then converted to digital data by an ADC. Data output is selectable in low-voltage differential signaling (LVDS) or CMOS modes.

The VSP5610/11/12 include a programmable gain to support the pixel level inflection caused by luminance. The integrated digital-to-analog-converter (DAC) can be used to adjust the offset level for the analog input signal. Furthermore, the timing generator (TG) is integrated in these devices for the control of sensor operation.

The VSP5610/11/12 use 1.65 V to 1.95 V for the core voltage and 3.0 V to 3.6 V for I/Os. The core voltage is supplied by a built-in low-dropout regulator (LDO).

Elecena nie prowadzi sprzedaży elementów elektronicznych, ani w niej nie pośredniczy.

Produkt pochodzi z oferty sklepu