elecena.pl

Configurable AFE for Low Power H2S and CO Sensing Applications

Texas Instruments

Configurable AFE for Low Power H2S and CO Sensing Applications RSS Sample
  • Darmowa próbka
MPN:
LMP91002
Producent:
TEXAS INSTRUMENTS
Dodany do bazy:
Ostatnio widziany:

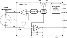
The LMP91002 device is a programmable Analog Front End (AFE) for use in micro-power electrochemical-sensing applications. It provides a complete signal path solution between a not biased gas sensor and a microcontroller generating an output voltage proportional to the cell current.

The LMP91002’s programmability enables it support not biased electro-chemical gas sensor with a single design. The LMP91002 supports gas sensitivities over a range of 0.5 nA/ppm to 9500 nA/ppm. It also allows for an easy conversion of current ranges from 5 µA to 750 µA full scale. The LMP91002’s transimpedance amplifier (TIA) gain is programmable through the I2C interface. The I2C interface can also be used for sensor diagnostics. The LMP91002 is optimized for micro-power applications and operates over a voltage range of 2.7 V to 3.6 V. The total current consumption can be less than 10 µA. Further power savings are possible by switching off the TIA amplifier and shorting the reference electrode to the working electrode with an internal switch.

Elecena nie prowadzi sprzedaży elementów elektronicznych, ani w niej nie pośredniczy.

Produkt pochodzi z oferty sklepu