elecena.pl

8-channel low noise analog front end for ultrasound

Texas Instruments

8-channel low noise analog front end for ultrasound RSS Sample
  • Darmowa próbka
MPN:
AFE5805
Producent:
TEXAS INSTRUMENTS
Dodany do bazy:
Ostatnio widziany:

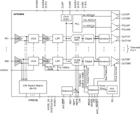
The AFE5805 is a complete analog front-end device specifically designed for ultrasound systems that require low power and small size.

The AFE5805 consists of eight channels, including a low-noise amplifier (LNA), voltage-controlled attenuator (VCA), programmable gain amplifier (PGA), low-pass filter (LPF), and a 12-bit analog-to-digital converter (ADC) with low voltage differential signaling (LVDS) data outputs.

The LNA gain is set for 20dB gain, and has excellent noise and signal handling capabilities, including fast overload recovery. VCA gain can vary over a 46dB range with a 0V to 1.2V control voltage common to all channels of the AFE5805.

The PGA can be programmed for gains of 20dB, 25dB, 27dB, and 30dB. The internal low-pass filter can also be programmed to 10MHz or 15MHz.

The LVDS outputs of the ADC reduce the number of interface lines to an ASIC or FPGA, thereby enabling the high system integration densities desired for portable systems. The ADC can either be operated with internal or external references. The ADC also features a signal-to-noise ratio (SNR) enhancement mode that can be useful at high gains.

The AFE5805 is available in a 15mm × 9mm, 135-ball BGA package that is Pb-free (RoHS-compliant) and green. It is specified for operation from 0°C to +70°C.

Elecena nie prowadzi sprzedaży elementów elektronicznych, ani w niej nie pośredniczy.

Produkt pochodzi z oferty sklepu