24-bit, 125kSPS, 16-ch delta-sigma ADC with fast channel scan and automatic sequencer
Texas Instruments
RSS
Sample
- Darmowa próbka
- MPN:
- ADS1258
- Producent:
- TEXAS INSTRUMENTS
- Dodany do bazy:
- Ostatnio widziany:
Sugerowane produkty dla or16
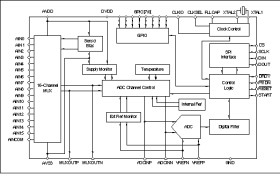
The ADS1258 is a 16-channel (multiplexed), low-noise, 24-bit, delta-sigma () analog-to-digital converter (ADC) that provides single-cycle settled data at channel scan rates from 1.8k to 23.7k samples per second (SPS) per channel. A flexible input multiplexer accepts combinations of eight differential or 16 single-ended inputs with a full-scale differential range of 5V or true bipolar range of ±2.5V when operating with a 5V reference. The fourth-order delta-sigma modulator is followed by a fifth-order sinc digital filter optimized for low-noise performance.
The differential output of the multiplexer is accessible to allow signal conditioning prior to the input of the ADC. Internal system monitor registers provide supply voltage, temperature, reference voltage, gain, and offset data.
An onboard PLL generates the system clock from a 32.768kHz crystal, or can be overridden by an external clock source. A buffered system clock output (15.7MHz) is provided to drive a microcontroller or additional converters.
Serial digital communication is handled via an SPI™-compatible interface. A simple command word structure controls channel configuration, data rates, digital I/O, monitor functions, etc.
Programmable sensor bias current sources can be used to bias sensors or verify sensor integrity.
The ADS1258 operates from a unipolar +5V or bipolar ±2.5V analog supply and a digital supply compatible with interfaces ranging from 2.7V to 5.25V. The ADS1258 is available in a QFN-48 package.
Elecena nie prowadzi sprzedaży elementów elektronicznych, ani w niej nie pośredniczy.
Produkt pochodzi z oferty sklepu Texas Instruments