elecena.pl

6-Channel 16-Bit Simultaneous-Sampling SAR ADC With 250kSPS for Motor and Power Control

Texas Instruments

6-Channel 16-Bit Simultaneous-Sampling SAR ADC With 250kSPS for Motor and Power Control RSS Sample
  • Darmowa próbka
MPN:
ADS8364
Producent:
TEXAS INSTRUMENTS
Dodany do bazy:
Ostatnio widziany:

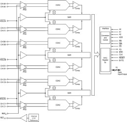
The ADS8364 includes six, 16-bit, 250KHz ADCs (Analog to Digital Converters) with 6 fully differential input channels grouped into two pairs for high-speed simultaneous signal acquisition. Inputs to the sample-and-hold amplifiers are fully differential and are maintained differential to the input of the ADC. This provides excellent common-mode rejection of 80dB at 50KHz that is important in high-noise environments.

The ADS8364 offers a flexible high-speed parallel interface with a direct address mode, a cycle, and a FIFO mode. The output data for each channel is available as a 16-bit word.

Elecena nie prowadzi sprzedaży elementów elektronicznych, ani w niej nie pośredniczy.

Produkt pochodzi z oferty sklepu