elecena.pl

8-Bit, 1-Ch µP Compatible A/D Converters with 0.5 LSB INL

Texas Instruments

8-Bit, 1-Ch µP Compatible A/D Converters with 0.5 LSB INL RSS Sample
  • Darmowa próbka
MPN:
ADC0802-N
Producent:
TEXAS INSTRUMENTS
Dodany do bazy:
Ostatnio widziany:

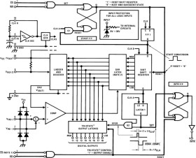
The ADC0801, ADC0802, ADC0803, ADC0804, and ADC0805 devices are CMOS 8-bit successive approximation converters (ADC) that use a differential potentiometric ladder – similar to the 256R products. These converters are designed to allow operation with the NSC800 and INS8080A derivative control bus with Tri-state output latches directly driving the data bus. These ADCs appear like memory locations or I/O ports to the microprocessor and no interfacing logic is needed.

Differential analog voltage inputs allow increasing the common-mode rejection and offsetting the analog zero input voltage value. In addition, the voltage reference input can be adjusted to allow encoding any smaller analog voltage span to the full 8 bits of resolution.

Elecena nie prowadzi sprzedaży elementów elektronicznych, ani w niej nie pośredniczy.

Produkt pochodzi z oferty sklepu