elecena.pl

8-Bit, 22 kSPS ADC Serial Out, uProcessor Periph./Standalone, Mux option w/SE or differential, 2 Ch.

Texas Instruments

8-Bit, 22 kSPS ADC Serial Out, uProcessor Periph./Standalone, Mux option w/SE or differential, 2 Ch. RSS Sample
  • Darmowa próbka
MPN:
TLC0832
Producent:
TEXAS INSTRUMENTS
Dodany do bazy:
Ostatnio widziany:

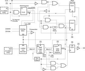
These devices are 8-bit successive-approximation analog-to-digital converters. The TLC0831 has single input channels; the TLC0832 has multiplexed twin input channels. The serial output is configured to interface with standard shift registers or microprocessors.

The TLC0832 multiplexer is software configured for single-ended or differential inputs. The differential analog voltage input allows for common-mode rejection or offset of the analog zero input voltage value. In addition, the voltage reference input can be adjusted to allow encoding any smaller analog voltage span to the full 8 bits of resolution.

The operation of the TLC0831 and TLC0832 devices is very similar to the more complex TLC0834 and TLC0838 devices. Ratiometric conversion can be attained by setting the REF input equal to the maximum analog input signal value, which gives the highest possible conversion resolution. Typically, REF is set equal to VCC (done internally on the TLC0832).

The TLC0831C and TLC0832C are characterized for operation from 0°C to 70°C. The TLC0831I and TLC0832I are characterized for operation from -40°C to 85°C.

Elecena nie prowadzi sprzedaży elementów elektronicznych, ani w niej nie pośredniczy.

Produkt pochodzi z oferty sklepu