elecena.pl

2.7V to 5.5V 12-Bit 8-channel Serial DAC

Texas Instruments

2.7V to 5.5V 12-Bit 8-channel Serial DAC RSS Sample
  • Darmowa próbka
MPN:
TLV5610
Producent:
TEXAS INSTRUMENTS
Dodany do bazy:
Ostatnio widziany:

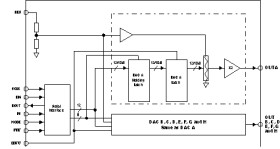
The TLV5610, TLV5608, and TLV5629 are pin-compatible,eight-channel, 12-/10-/8-bit voltage output DACs each with a flexible serial interface. The serial interface allows glueless interface to TMS320 and SPI, QSPI, and Microwire serial ports. It is programmed with a 16-bit serial string containing 4 control and 12 data bits.

Additional features are a power-down mode, an LDAC input for simultaneous update of all eight DAC outputs, and a data output which can be used to cascade multiple devices.

The resistor string output voltage is buffered by a rail-to-rail output amplifier with a programmable settling time to allow the designer to optimize speed vs power dissipation. The buffered, high-impedance reference input can be connected to the supply voltage.

Implemented with a CMOS process, the DACs are designed for single-supply operation from 2.7 V to 5.5 V, and can operate on two separate analog and digital power supplies. The devices are available in 20-pin SOIC and TSSOP packages.

Elecena nie prowadzi sprzedaży elementów elektronicznych, ani w niej nie pośredniczy.

Produkt pochodzi z oferty sklepu