12-Bit, DAC, Parallel, Voltage Out, Pgrmable Settling Time/Pwr Consump., PwrDn
Texas Instruments
RSS
Sample
- Darmowa próbka
- MPN:
- TLV5613
- Producent:
- TEXAS INSTRUMENTS
- Dodany do bazy:
- Ostatnio widziany:
Sugerowane produkty dla pgrmable
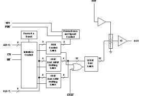
The TLV5613 is a 12-bit voltage output digital-to-analog converter (DAC) with a 8-bit microcontroller compatible parallel interface. The 8 LSBs, the 4 MSBs and 3 control bits are written using three different addresses. Developed for a wide range of supply voltages, the TLV5613 can be operated from 2.7 V to 5.5 V.
The resistor string output voltage is buffered by a x2 gain rail-to-rail output buffer. The buffer features a Class A (slow mode: AB) output stage to improve stability and reduce settling time. The programmable settling time of the DAC allows the designer to optimize speed versus power dissipation. The settling time can be chosen by the control bits within the 16-bit data word.
Implemented with a CMOS process, the device is designed for single supply operation from 2.7 V to 5.5 V. It is available in 20 pin SOIC in standard commercial and industrial temperature ranges.
Elecena nie prowadzi sprzedaży elementów elektronicznych, ani w niej nie pośredniczy.
Produkt pochodzi z oferty sklepu Texas Instruments