Enhanced Product 12-Bit, 1 Us Serial Input Dual Dac, Pgrmable Int. Ref., Settling Time
Texas Instruments
RSS
Sample
- Darmowa próbka
- MPN:
- TLV5638-EP
- Producent:
- TEXAS INSTRUMENTS
- Dodany do bazy:
- Ostatnio widziany:
Sugerowane produkty dla pgrmable
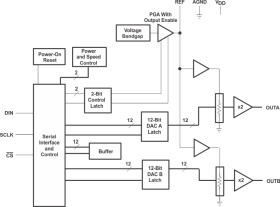
The TLV5638 is a dual 12-bit voltage output DAC with a flexible 3-wire serial interface. The serial interface allows glueless interface to TMS320 and SPI, QSPI, and Microwire serial ports. It is programmed with a 16-bit serial string containing 4 control and 12 data bits.
The resistor string output voltage is buffered by a x2 gain rail-to-rail output buffer. The buffer features a Class AB output stage to improve stability and reduce settling time. The programmable settling time of the DAC allows the designer to optimize speed vs power dissipation. With its on-chip programmable precision voltage reference, the TLV5638 simplifies overall system design.
Because of its ability to source up to 1 mA, the reference can also be used as a system reference. Implemented with a CMOS process, the device is designed for single supply operation from 2.7 V to 5.5 V. It is available in an 8-pin SOIC package to reduce board space.
Elecena nie prowadzi sprzedaży elementów elektronicznych, ani w niej nie pośredniczy.
Produkt pochodzi z oferty sklepu Texas Instruments