elecena.pl

8-Bit, 2.5 or 12 us Dual DAC, Serial Input, Pgrmable Settling Time

Texas Instruments

8-Bit, 2.5 or 12 us Dual DAC, Serial Input, Pgrmable Settling Time RSS Sample
  • Darmowa próbka
MPN:
TLV5625
Producent:
TEXAS INSTRUMENTS
Dodany do bazy:
Ostatnio widziany:

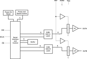
The TLV5625 is a dual 8-bit voltage output DAC with a flexible 3-wire serial interface. The serial interface is compatible with TMS320, SPI™, QSPI™, and Microwire™ serial ports. It is programmed with a 16-bit serial string containing 4 control and 8 data bits.

The resistor string output voltage is buffered by an x2 gain rail-to-rail output buffer. The buffer features a Class-AB output stage to improve stability and reduce settling time. The programmable settling time of the DAC allows the designer to optimize speed versus power dissipation.

Implemented with a CMOS process, the device is designed for single supply operation from 2.7 V to 5.5 V. It is available in an 8-pin SOIC package in standard commercial and industrial temperature ranges.

Elecena nie prowadzi sprzedaży elementów elektronicznych, ani w niej nie pośredniczy.

Produkt pochodzi z oferty sklepu