elecena.pl

Automotive Catalog 1.8-V to 5-V Dual UART with 16-Byte FIFOs

Texas Instruments

Automotive Catalog 1.8-V to 5-V Dual UART with 16-Byte FIFOs RSS Sample
  • Darmowa próbka
MPN:
TL16C2550-Q1
Producent:
TEXAS INSTRUMENTS
Dodany do bazy:
Ostatnio widziany:

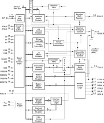
The TL16C2550 is a dual universal asynchronous receiver and transmitter (UART). It incorporates the functionality of two TL16C550D UARTs, each UART having its own register set and FIFOs. The two UARTs share only the data bus interface and clock source, otherwise they operate independently. Another name for the uart function is Asynchronous Communications Element (ACE), and these terms will be used interchangeably. The bulk of this document describes the behavior of each ACE, with the understanding that two such devices are incorporated into the TL16C2550.

Each ACE is a speed and voltage range upgrade of the TL16C550C, which in turn is a functional upgrade of the TL16C450. Functionally equivalent to the TL16C450 on power up or reset (single character or TL16C450 mode), each ACE can be placed in an alternate FIFO mode. This relieves the CPU of excessive software overhead by buffering received and to be transmitted characters. Each receiver and transmitter store up to 16 bytes in their respective FIFOs, with the receive FIFO including three additional bits per byte for error status. In the FIFO mode, a selectable autoflow control feature can significantly reduce software overload and increase system efficiency by automatically controlling serial data flow using handshakes between the RTS output and CTS input, thus eliminating overruns in the receive FIFO.

Each ACE performs serial-to-parallel conversions on data received from a peripheral device or modem and stores the parallel data in its receive buffer or FIFO, and each ACE performs parallel-to-serial conversions on data sent from its CPU after storing the parallel data in its transmit buffer or FIFO. The CPU can read the status of either ACE at any time. Each ACE includes complete modem control capability and a processor interrupt system that can be tailored to the application.

Each ACE includes a programmable baud rate generator capable of dividing a reference clock with divisors from 1 to 65535, thus producing a 16× internal reference clock for the transmitter and receiver logic. Each ACE accommodates up to a 1.5-Mbaud serial data rate (24-MHz input clock). As a reference point, that speed would generate a 667-ns bit time and a 6.7-µs character time (for 8,N,1 serial data), with the internal clock running at 24 MHz.

Each ACE has a TXRDY and RXRDY output that can be used to interface to a DMA controller.

Elecena nie prowadzi sprzedaży elementów elektronicznych, ani w niej nie pośredniczy.

Produkt pochodzi z oferty sklepu