elecena.pl

Dual UART with 16-Byte FIFOs & Parallel Port

Texas Instruments

Dual UART with 16-Byte FIFOs & Parallel Port RSS Sample
  • Darmowa próbka
MPN:
TL16C552A
Producent:
TEXAS INSTRUMENTS
Dodany do bazy:
Ostatnio widziany:

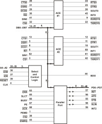
The TL16C552A is an enhanced dual-channel version of the popular TL16C550B asynchronous communications element (ACE). The device serves two serial input/output interfaces simultaneously in microcomputer or microprocessor-based systems. Each channel performs serial-to-parallel conversion on data characters received from peripheral devices or modems and parallel-to-serial conversion on data characters transmitted by the CPU. The complete status of each channel of the dual ACE can be read at any time during functional operation by the CPU. The information obtained includes the type and condition of the transfer operations being performed and the error conditions encountered.

In addition to its dual communications interface capabilities, the TL16C552A provides the user with a bidirectional parallel data port that fully supports the parallel Centronics-type printer interface. The parallel port and the two serial ports provide IBM PC/AT-compatible computers with a single device to serve the three system ports. A programmable baud rate generator that can divide the timing reference clock input by a divisor between 1 and (216 - 1) is included.

The TL16C552A is available in a 68-pin plastic-leaded chip-carrier (FN) package and a 80-pin TQFP (PN) package. The TL16C552AM is available in a 68-pin ceramic quad flat (HV) package.

Elecena nie prowadzi sprzedaży elementów elektronicznych, ani w niej nie pośredniczy.

Produkt pochodzi z oferty sklepu