elecena.pl

3- to 5.5-V single channel 1Mbps RS-232 line driver/receiver with +/-15-kV IEC-ESD protection

Texas Instruments

3- to 5.5-V single channel 1Mbps RS-232 line driver/receiver with +/-15-kV IEC-ESD protection RSS Sample
  • Darmowa próbka
MPN:
SN65C3221E
Producent:
TEXAS INSTRUMENTS
Dodany do bazy:
Ostatnio widziany:

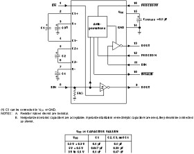
The SN65C3221E and SN75C3221E consist of one line driver, one line receiver, and a dual charge-pump circuit with ±15-kV IEC ESD protection pin to pin (serial-port connection pins, including GND). These devices provide the electrical interface between an asynchronous communication controller and the serial-port connector. The charge pump and four small external capacitors allow operation from a single 3-V to 5.5-V supply. These devices operate at data signaling rates up to 1 Mbit/s and a driver output slew rate of 24 V/µs to 150 V/µs.

Flexible control options for power management are available when the serial port is inactive. The auto-powerdown feature functions when FORCEON is low and FORCEOFF is high. During this mode of operation, if the devices do not sense a valid RS-232 signal on the receiver input, the driver output is disabled. If FORCEOFF is set low and EN is high, both the driver and receiver are shut off, and the supply current is reduced to 1 µA. Disconnecting the serial port or turning off the peripheral drivers causes the auto-powerdown condition to occur. Auto-powerdown can be disabled when FORCEON and FORCEOFF are high. With auto-powerdown enabled, the device is activated automatically when a valid signal is applied to the receiver input. The INVALID output notifies the user if an RS-232 signal is present at the receiver input. INVALID is high (valid data) if the receiver input voltage is greater than 2.7 V or less than –2.7 V, or has been between –0.3 V and 0.3 V for less than 30 µs. INVALID is low (invalid data) if the receiver input voltage is between –0.3 V and 0.3 V for more than 30 µs. See Figure 8-5 for receiver input levels.

spacer

Elecena nie prowadzi sprzedaży elementów elektronicznych, ani w niej nie pośredniczy.

Produkt pochodzi z oferty sklepu