elecena.pl

5-V dual channel 120kbps RS-232 line driver/receiver with +/-9V output & +/-15-kV IEC-ESD protection

Texas Instruments

5-V dual channel 120kbps RS-232 line driver/receiver with +/-9V output & +/-15-kV IEC-ESD protection RSS Sample
  • Darmowa próbka
MPN:
TRS202E
Producent:
TEXAS INSTRUMENTS
Dodany do bazy:
Ostatnio widziany:

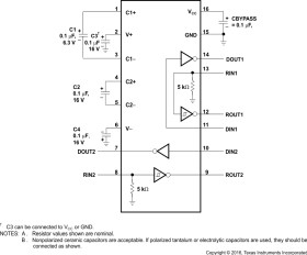
The TRS202E consists of two line drivers, two line receivers, and a dual charge-pump circuit. TRS202E has IEC61000-4-2 (Level 4) ESD protection pin-to-pin (serial-port connection pins, including GND). The device meets the requirements of TIA/EIA-232-F and provides the electrical interface between an asynchronous communication controller and the serial-port connector. The charge pump and four small external capacitors allow operation from a single 5V supply. The device operates at data signaling rates up to 120kbit/s and a maximum of 30V/µs driver output slew rate.

Elecena nie prowadzi sprzedaży elementów elektronicznych, ani w niej nie pośredniczy.

Produkt pochodzi z oferty sklepu