elecena.pl

5V multichannel 120kbps RS-232 line driver/receiver with ±9V output and ±15kV ESD protection

Texas Instruments

5V multichannel 120kbps RS-232 line driver/receiver with ±9V output and ±15kV ESD protection RSS Sample
  • Darmowa próbka
MPN:
TRS213
Producent:
TEXAS INSTRUMENTS
Dodany do bazy:
Ostatnio widziany:

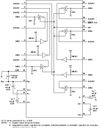
The TRS213 device consists of four line drivers, five line receivers, and a dual charge-pump circuit with ±15kV ESD protection pin to pin (serial-port connection pins, including GND). The device meets the requirements of TIA/EIA-232-F and provides the electrical interface between an asynchronous communication controller and the serial-port connector. The charge pump and four small external capacitors allow operation from a single 5V supply. The devices operate at data signaling rates up to 120kbit/s and a maximum of 30V/µs driver output slew rate.

The TRS213 has an active-low shutdown ( SHDN) and an active-high enable control (EN). In shutdown mode, the charge pumps are turned off, V+ is pulled down to VCC, V– is pulled to GND, and the transmitter outputs are disabled. This reduces supply current typically to 1µA. Two receivers of the TRS213 are active during shutdown.

Elecena nie prowadzi sprzedaży elementów elektronicznych, ani w niej nie pośredniczy.

Produkt pochodzi z oferty sklepu