Differential Driver And Receiver Pair
Texas Instruments
RSS
Sample
- Darmowa próbka
- MPN:
- SN75179B
- Producent:
- TEXAS INSTRUMENTS
- Dodany do bazy:
- Ostatnio widziany:
Sugerowane produkty dla sn75179b
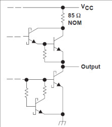
The SN75179B is a differential driver and receiver pair designed for balanced transmission-line applications and meets TIA/EIA-422-B, TIA/EIA-485-A, and ITU Recommendation V.11. The device is designed to improve the performance of full-duplex data communications over long bus lines.
The SN75179B driver output provides limiting for both positive and negative currents. The receiver features high input impedance, input hysteresis for increased noise immunity, and input sensitivity of ±200mV over a common-mode input voltage range of –7V to 12V. The driver provides thermal shutdown for protection from line fault conditions. Thermal shutdown is designed to occur at a junction temperature of approximately 150°C. The SN75179B is designed to drive current loads of up to 60mA maximum.
The SN75179B is characterized for operation from 0°C to 70°C.
Elecena nie prowadzi sprzedaży elementów elektronicznych, ani w niej nie pośredniczy.
Produkt pochodzi z oferty sklepu Texas Instruments