elecena.pl

70-V Fault-Protected RS-485 Transceivers Full-Duplex with -20 to +25 common mode

Texas Instruments

70-V Fault-Protected RS-485 Transceivers Full-Duplex with -20 to +25 common mode RSS Sample
  • Darmowa próbka
MPN:
SN65HVD1792
Producent:
TEXAS INSTRUMENTS
Dodany do bazy:
Ostatnio widziany:

These devices are designed to survive overvoltage faults such as direct shorts to power supplies, mis-wiring faults, connector failures, cable crushes, and tool mis-applications. They are also robust to ESD events, with high levels of protection to human-body model specifications.

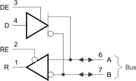
These devices combine a differential driver and a differential receiver, which operate from a single power supply. In the ’HVD1785, ’HVD1786, and ’HVD1787, the driver differential outputs and the receiver differential inputs are connected internally to form a bus port suitable for half-duplex (two-wire bus) communication. In the ’HVD1793, the driver differential outputs and the receiver differential inputs are separate pins, to form a bus port suitable for full-duplex (four-wire bus) communication. These ports feature a wide common-mode voltage range, making the devices suitable for multipoint applications over long cable runs. These devices are characterized from –40°C to 105°C.

For similar features with 3.3-V supply operation, see the SN65HVD1781 (SLLS877).

Elecena nie prowadzi sprzedaży elementów elektronicznych, ani w niej nie pośredniczy.

Produkt pochodzi z oferty sklepu