1-bit bidirectional voltage-level shifter for open-drain and push-pull applications
Texas Instruments
RSS
Sample
- Darmowa próbka
- MPN:
- TXS0101
- Producent:
- TEXAS INSTRUMENTS
- Dodany do bazy:
- Ostatnio widziany:
Sugerowane produkty dla shifter
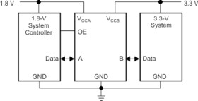
This one-bit non-inverting translator uses two separate configurable power-supply rails. The A port is designed to track VCCA. VCCA accepts any supply voltage from 1.65V to 3.6V. VCCA must be less than or equal to VCCB . The B port is designed to track VCCB. VCCB accepts any supply voltage from 2.3V to 5.5V. This allows for low voltage bidirectional translation between any of the 1.8V, 2.5V, 3.3V, and 5V voltage nodes.
When the output-enable (OE) input is low, all outputs are placed in the high-impedance state.
To put the device in the high-impedance state during power up or power down, tie OE to GND through a pull-down resistor; the current-sourcing capability of the driver determines the minimum value of the resistor.
Elecena nie prowadzi sprzedaży elementów elektronicznych, ani w niej nie pośredniczy.
Produkt pochodzi z oferty sklepu Texas Instruments