elecena.pl

4-Bit Bidirectional Voltage-Level Shifter with Auto Direction Sensing and +/-15 kV ESD Protect

Texas Instruments

4-Bit Bidirectional Voltage-Level Shifter with Auto Direction Sensing and +/-15 kV ESD Protect RSS Sample
  • Darmowa próbka
MPN:
TXB0104
Producent:
TEXAS INSTRUMENTS
Dodany do bazy:
Ostatnio widziany:

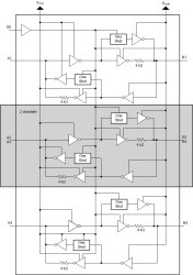
This TXB0104 4-bit noninverting translator uses two separate configurable power-supply rails. The A port is designed to track VCCA. VCCA accepts any supply voltage from 1.2V to 3.6V. The B port is designed to track VCCB. VCCB accepts any supply voltage from 1.65V to 5.5V. This allows for universal low-voltage bidirectional translation between any of the 1.2V, 1.5V, 1.8V, 2.5V, 3.3V, and 5V voltage nodes. VCCA must not exceed VCCB.

When the OE input is low, all outputs are placed in the high-impedance state. To ensure the high-impedance state during power up or power down, OE must be tied to GND through a pulldown resistor The current sourcing capability of the driver determines the minimum value of the resistor.

The TXB0104 device is designed so the OE input circuit is supplied by VCCA.

This device is fully specified for partial power-down applications using I OFF. The I OFF circuitry disables the outputs, which prevents damaging current backflow through the device when the device is powered down.

Elecena nie prowadzi sprzedaży elementów elektronicznych, ani w niej nie pośredniczy.

Produkt pochodzi z oferty sklepu