elecena.pl

Sensored single-phase BLDC gate driver for 12-V, 24-V or 48-V applications

Texas Instruments

Sensored single-phase BLDC gate driver for 12-V, 24-V or 48-V applications RSS Sample
  • Darmowa próbka
MPN:
TMP814
Producent:
TEXAS INSTRUMENTS
Dodany do bazy:
Ostatnio widziany:

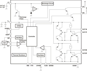
The TMP814 is a single-phase bipolar variable speed fan motor predriver that works with an external PWM signal. A highly efficient, quiet and low-power consumption motor driver circuit, with a large variable speed, can be implemented by adding a small number of external components.

This device is optimal for driving large scale fan motors (with large air volume and large current) such as those used in servers and consumer products.

Elecena nie prowadzi sprzedaży elementów elektronicznych, ani w niej nie pośredniczy.

Produkt pochodzi z oferty sklepu