elecena.pl

4-channel 2.3- to 5.5-V I2C/SMBus switch with interrupt, reset & voltage translation

Texas Instruments

4-channel 2.3- to 5.5-V I2C/SMBus switch with interrupt, reset & voltage translation RSS Sample
  • Darmowa próbka
MPN:
PCA9545A
Producent:
TEXAS INSTRUMENTS
Dodany do bazy:
Ostatnio widziany:

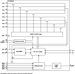
The PCA9545A is a quad bidirectional translating switch controlled via the I2C bus. The SCL/SDA upstream pair fans out to four downstream pairs, or channels. Any individual SCn/SDn channel or combination of channels can be selected, determined by the contents of the programmable control register. Four interrupt inputs ( INT3– INT0), one for each of the downstream pairs, are provided. One interrupt ( INT) output acts as an AND of the four interrupt inputs.

An active-low reset ( RESET) input allows the PCA9545A to recover from a situation in which one of the downstream I2C buses is stuck in a low state. Pulling RESET low resets the I2C state machine and causes all the channels to be deselected, as does the internal power-on reset function.

The pass gates of the switches are constructed such that the VCC terminal can be used to limit the maximum high voltage, which will be passed by the PCA9545A. This allows the use of different bus voltages on each pair, so that 1.8-V, 2.5-V, or 3.3-V parts can communicate with 5-V parts, without any additional protection. External pull-up resistors pull the bus up to the desired voltage level for each channel. All I/O terminals are 5.5 V tolerant.

Elecena nie prowadzi sprzedaży elementów elektronicznych, ani w niej nie pośredniczy.

Produkt pochodzi z oferty sklepu