5V, 8:1, 1-channel analog multiplexer with TTL inputs
Texas Instruments
RSS
Sample
- Darmowa próbka
- MPN:
- CD74HCT4051
- Producent:
- TEXAS INSTRUMENTS
- Dodany do bazy:
- Ostatnio widziany:
Sugerowane produkty dla cdx4hct405x
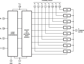
The CDx4HC405x and CDx4HCT405x device is a digitally controlled analog switch that uses silicon gate CMOS technology to achieve operating speeds similar to LSTTL with the low-power consumption of standard CMOS integrated circuits.
This analog multiplexer and demultiplexer controls analog voltages that may vary across the voltage supply range (for example, VCC to VEE). It is a bidirectional switch that allows any analog input to be used as an output and vice versa. The switch has low ON resistance and low OFF leakages. In addition, this device has an enable control that, when high, disables all switches to their OFF state.
Elecena nie prowadzi sprzedaży elementów elektronicznych, ani w niej nie pośredniczy.
Produkt pochodzi z oferty sklepu Texas Instruments