elecena.pl

5V 2:1 (SPDT) three-channel analog switch

Texas Instruments

5V 2:1 (SPDT) three-channel analog switch RSS Sample
  • Darmowa próbka
MPN:
SN74LV4053A
Producent:
TEXAS INSTRUMENTS
Dodany do bazy:
Ostatnio widziany:

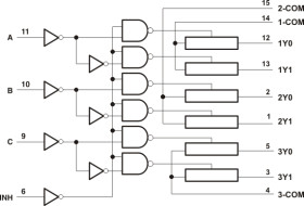
These triple 2-channel CMOS analog multiplexers/demultiplexers are designed for 1.65V to 5.5V VCC operation.

The SNx4LV4053A devices handle both analog and digital signals. Each channel permits signals with amplitudes up to 5.5V (peak) to be transmitted in either direction.

Applications include signal gating, chopping, modulation or demodulation (modem), and signal multiplexing for analog-to-digital and digital-to-analog conversion systems.

Elecena nie prowadzi sprzedaży elementów elektronicznych, ani w niej nie pośredniczy.

Produkt pochodzi z oferty sklepu