elecena.pl

IEEE 802.3at PoE interface with flyback DC-DC controller

Texas Instruments

IEEE 802.3at PoE interface with flyback DC-DC controller RSS Sample
  • Darmowa próbka
MPN:
TPS23751
Producent:
TEXAS INSTRUMENTS
Dodany do bazy:
Ostatnio widziany:

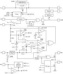
The TPS23751 is a 16-pin integrated circuit that combines a Power-over-Ethernet (PoE) powered device (PD) interface and a current-mode DC-DC controller optimized specifically for applications requiring high efficiency over a wide load range.

The PoE interface implements type-2 hardware classification per IEEE 802.3at. It also includes an auxiliary power detect (APD) input and a disable function (DEN). A 0.5-Ω, 100-V pass MOSFET minimizes heat dissipation and maximizes power utilization.

The DC-DC controller features internal soft-start, a bootstrap startup current source, current-mode control with slope compensation, blanking, and current limiting. Efficiency is enhanced at light loads by disabling synchronous rectification and entering variable frequency operation (VFO).

The TPS23752 is a 20-pin extended version of the TPS23751 with the addition of a Sleep Mode feature. Sleep Mode disables the converter to minimize power consumption while still generating the Maintain Power Signature (MPS) required by IEEE802.3at.

Elecena nie prowadzi sprzedaży elementów elektronicznych, ani w niej nie pośredniczy.

Produkt pochodzi z oferty sklepu