3-V to 20-V, 30mΩ, 2-5A eFuse
Texas Instruments
RSS
Sample
- Darmowa próbka
- MPN:
- TPS2590
- Producent:
- TEXAS INSTRUMENTS
- Dodany do bazy:
- Ostatnio widziany:
Sugerowane produkty dla tps2590
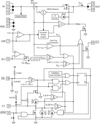
The TPS2590 device provides highly integrated hot-swap power management and superior protection in applications where the load is powered by busses up to 20 V. The maximum UV turn-on threshold of 2.9 V makes the TPS2590 device well suited to standard bus voltages as low as 3.3 V. This device is intended for systems where a voltage bus must be protected to prevent load shorts from interrupting or damaging other system components. The TPS2590 device is in a 16-pin QFN package.
The TPS2590 device has multiple programmable protection features. Load protection is accomplished by a non-current-limiting fault threshold, a hard current-limit threshold, and a fault timer. The dual current thresholds allow the system to draw high current for short periods without causing a voltage droop at the load. An example of this is a disk drive startup. This technique is ideal for loads that experience brief high demand, but benefit from protection levels consistent with average current draw.
Hotswap MOSFET protection is provided by power limit circuitry which protects the internal MOSFET against SOA related failures.
The TPS2590 device provides a fault indicator output and allows latch off or retry on fault.
Elecena nie prowadzi sprzedaży elementów elektronicznych, ani w niej nie pośredniczy.
Produkt pochodzi z oferty sklepu Texas Instruments